













FHYCU18E-502N/D G02M
Front-end Inductive Ultrasonic Sensor
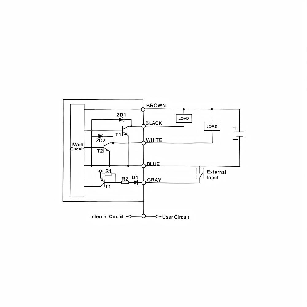
通信接口
5芯M12接口
输出方式
两路NPN开关量输出
检测范围
50-500mm
盲区
0-50mm
分辨率
0.15mm
显示所有主要功能
面价登录
¥1186 CNY
预计可订
可订
您对产品有任何疑问吗? 联系我们.
产品配置
尺寸:
M30*93
M12*57
M18*70.5
M12*67
M18*60.5
φ74*114
M30*76
M18*61+M18*26
φ40*93
检测范围:
200-4000mm
30-300mm
200mm
50-500mm
350-6000mm
60-1000mm
20-60mm
100-2000mm
输出方式:
电流4-20mA输出+一路NPN开关量输出
NPN+PNP两路开关量输出
电压0-10V+一路NPN开关量输出
NPN开关量输出
两路NPN开关量输出
PNP开关量输出
三路NPN开关量输出
NPN一路开关量输出
模拟电压0-10V+电流输出4-20mA
两路PNP开关量输出
RS485数字量输出
电流输出4-20mA
三路PNP开关量输出
模拟电压0-10V+模拟电流4-20mA
一路NPN开关量输出
电压输出0-10V
电流4-20mA输出+一路PNP开关量输出
连接线:
无
PVC电缆
5芯M12弯头屏蔽线
5芯M12屏蔽线
4芯M12屏蔽线
主要特征
产品描述
产品参数
规格参数